| Sign In | Join Free | My esadidasol.com |
|
Brand Name : Kingpo
Model Number : KP-7006-121-1
Certification : iso9001 ce
Place of Origin : china
MOQ : 1
Price : To be quoted
Payment Terms : T/T
Supply Ability : 1000 pcs per month
Delivery Time : 7 working days
Packaging Details : safety carton pack or plywood box
Material : Hardness Steel
Standard : IEC60061-3
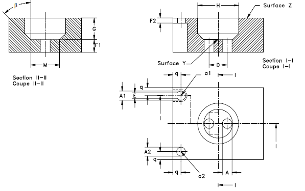
GU10 Lamp cap gauge | Go and not go gauge for bases GU10 | 7006-121-1
PURPOSE: To check the base GU10 in the following respects:
- the diameter of the individual pins
- the combined displacement and diameter of the pins
- the length of the pins
- the recess length and diameter of the pins
Testing: it shall be possible to insert the individual pins of the base from surface Z into the hole "a1" and remove the pin along the slot. It shall not be possible to insert the pins of the base into hole "a2". It shall be possible to insert the base into the gauge until the reference plane of the base is in contact with surface Y of the gauge. In this position, the ends of the pins shall not project beyond the surface of the gauge.

|
|
GU10 Lamp cap gauge | Go and not go gauge for bases GU10 | 7006-121-1 Images |